

Váš partner v průmyslové a komerční elektronice
Tel +420 776 242 183
Email: info@32dev.cz
32dev s.r.o.
Mojmírovců 571/15, 709 00, Ostrava, CZ

Moderní precizní miliohmmetr, navržen pro měření nízkého odporu proudem až 12A.

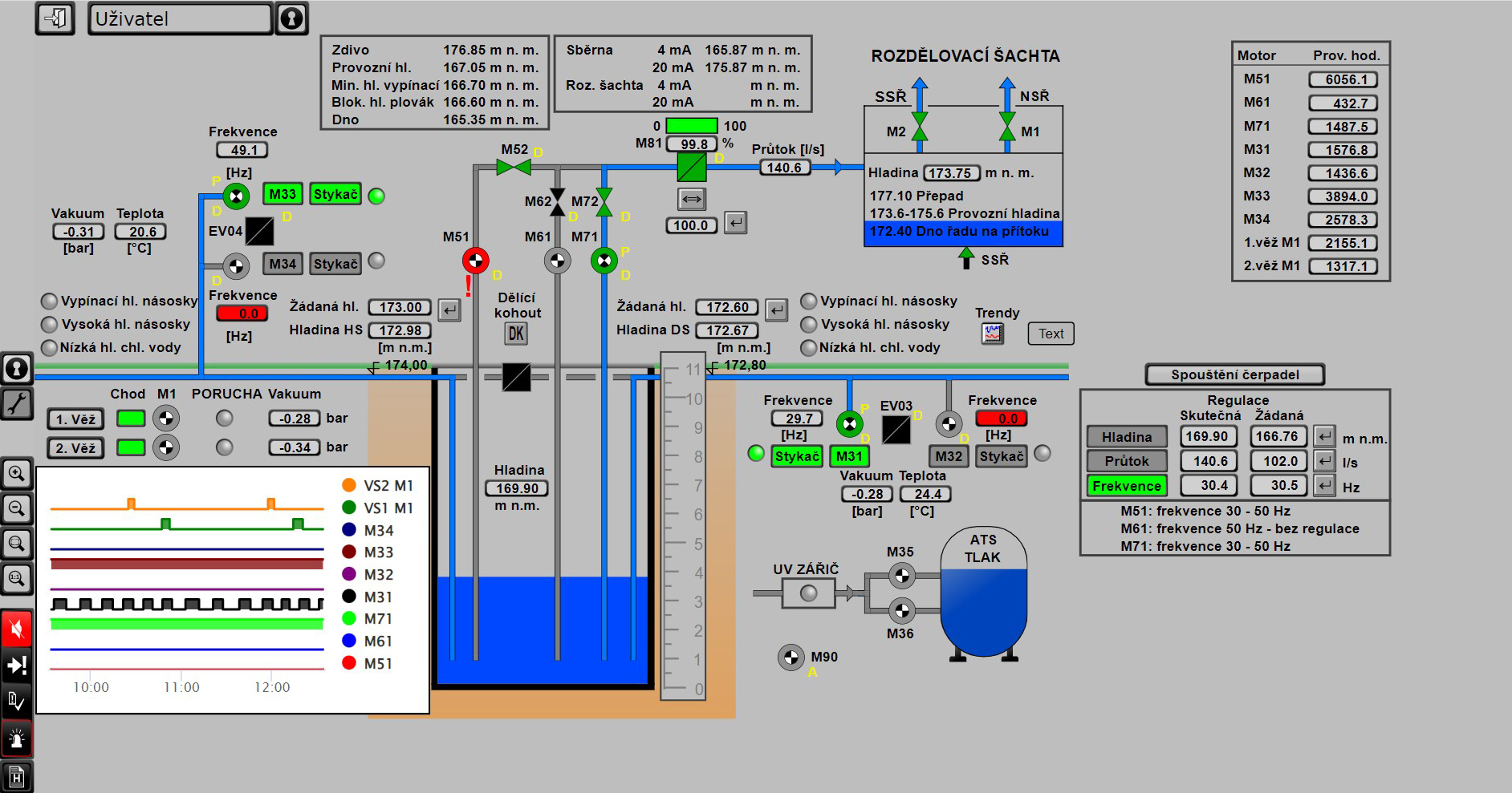
Flexibilní ovládací a monitorovací terminál v provedení monitoru s dotykovým displejem.

Kompletní konstrukce zařízení pro strojové vidění a následnou kontrolu výrobků.